Introduzione
Questo documento rappresenta una risorsa preziosa per specificatori, partner di soluzioni e utenti impegnati nelle attività di progettazione del controllo dell’illuminazione. Il suo scopo è quello di fornire una panoramica completa del sistema Casambi, descrivendo in dettaglio il suo concetto di ecosistema, le sue caratteristiche e funzionalità, così come illustrando come Casambi può essere integrato senza problemi in altri sistemi per migliorare le prestazioni e l’efficienza.
Soluzione Mesh Wireless
Come funziona?
Casambi è una soluzione avanzata di controllo dell’illuminazione basata sulla tecnologia Bluetooth® Low Energy.
Essendo la tecnologia radio a bassa potenza più popolare e affidabile presente oggi in tutti i dispositivi moderni, il Bluetooth® Low Energy funge da mezzo di comunicazione tra un telefono cellulare o altro dispositivo di controllo e una rete Casambi. La tecnologia di Casambi stabilisce una rete mesh specializzata, nota come ‘Casambi Mesh’, appositamente progettata per i controlli dell’illuminazione, facilitando una comunicazione wireless sicura e criptata da dispositivo a dispositivo all’interno della rete di illuminazione.
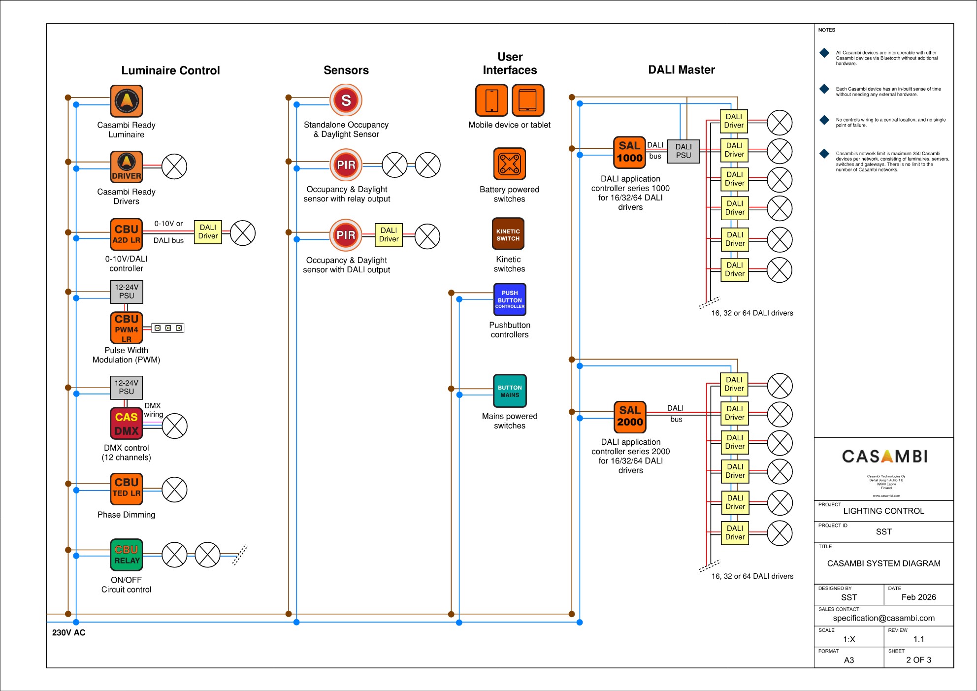
La tecnologia Casambi può essere integrata in apparecchi, driver LED, moduli LED, interruttori, sensori e diversi tipi di moduli di controllo, creando una soluzione ottimale in termini di facilità di installazione e funzionalità con costi minimi aggiuntivi di hardware e di implementazione. I prodotti Casambi Ready, prodotti dai partner di Casambi, sono compatibili al 100% con i prodotti nativi di Casambi.
La tecnologia Casambi fornisce una rete mesh in cui tutta l’intelligenza del sistema è replicata in ogni nodo e, in questo modo, crea un sistema senza punti singoli di guasto.
L’app Casambi svolge diverse funzioni in una soluzione di controllo dell’illuminazione: agisce come interfaccia utente, strumento di commissioning e gateway remoto. È compatibile con dispositivi iOS e Android e può essere scaricata gratuitamente da Google Play Store e Apple App Store.
Come Casambi si differenzia dalle altre soluzioni wireless
Le soluzioni wireless di controllo dell’illuminazione possono avere diverse topologie di rete. Alcune soluzioni utilizzano router o gateway per le funzionalità di base delle reti. Il guasto di tali dispositivi può causare un guasto totale del sistema o il guasto dei dispositivi locali collegati al gateway specifico. La rete mesh wireless auto-organizzante di Casambi, senza punti di errore singoli, può controllare un gran numero di apparecchi da qualsiasi punto. Consente anche aggiornamenti del firmware tramite la rete, consentendo qualsiasi tipo di modifiche via etere. In questo tipo di architettura completamente distribuita e simmetrica, qualsiasi unità può andare offline e recuperare dalle altre quando ritornano online.

Il protocollo standardizzato Bluetooth® Mesh consente ai produttori di sviluppare le proprie implementazioni di firmware e software per eseguire la comunicazione standard Bluetooth Mesh. Tuttavia, questa diversità nelle implementazioni può portare a problemi di interoperabilità e limitazioni nell’aggiunta di nuove funzionalità, nella correzione di errori o nel miglioramento delle prestazioni del sistema. Questo è il motivo per cui Casambi ha scelto di creare la Casambi Mesh: per garantire un ecosistema unificato e compatibile, promuovendo una connettività senza interruzioni e consentendo aggiornamenti e miglioramenti più facili, migliorando infine l’esperienza utente.
Interoperabilità nell’ecosistema
Tutti i prodotti dell’ecosistema (i prodotti nativi di Casambi e i prodotti dei partner di Casambi) hanno lo stesso “motore” che consente una comunicazione agevole tra tutti i prodotti dell’ecosistema anche provenienti da diversi produttori.
L’interoperabilità viene raggiunta grazie al fatto che ogni prodotto nella rete mesh di Casambi opera nello stesso ambiente fisico, eseguendo lo stesso firmware.
Questa architettura dell’ecosistema consente di aggiornare facilmente in tempo reale il firmware della rete Casambi, via etere, consentendo aggiornamenti istantanei delle funzionalità e delle prestazioni su tutti i dispositivi all’interno di una mesh.
Interoperabilità con altri standard
Casambi supporta standard chiave che hanno una significativa presenza di mercato. Alcuni degli standard con cui i dispositivi Casambi sono compatibili oggi sono:
- DALI (inclusi DT6 e DT8), DALI-2 e D4i
- NFC per interruttori cinetici (kinetic switches)
- 0-10V e 1-10V
- Strisce LED controllabili PWM
- Dimmeraggio a taglio di fase
- Ingresso e uscita a relè
- DMX
Panoramica dell’Hardware
Casambi risiede al centro di ogni prodotto all’interno del suo ecosistema, garantendo la completa compatibilità tra tutti i prodotti nativi e dell’ecosistema di Casambi per una perfetta integrazione e funzionalità. Casambi fornisce due tipologie di prodotti:
Prodotti Casambi
CBM = Casambi Bluetooth Module
Questo è un chip per progetti di integrazione e richiede un design aggiuntivo dell’elettronica. La generazione attuale CBM-003 consente di utilizzare più modalità radio e di avere una portata fino a circa 200 metri nelle applicazioni reali. Basato sul SoC Nordic Semiconductor nRF52840, questo modulo offre un consumo energetico ridotto, una grande memoria per Flash e RAM e supporta la specifica Bluetooth® 5 per offrire modalità a lungo raggio e alto rendimento.
CBU = Casambi Bluetooth Unit
Le CBU sono dispositivi multiuso con un chip integrato.
Prodotto | Immagine | Nome | Descrizione |
CBM-003 |
| Casambi Bluetooth Module | CBM-003 contiene un potente processore ARM® Cortex®-M4 a 32 bit e un trasmettitore a 2,4 GHz con antenna integrata. |
CBU-ASD-LR |
| Analogue Stand-alone/Sensor DALI – Long Range | CBU-ASD-LR è un’unità di controllo wireless per i driver LED con interfaccia di dimmerizzazione 0-10V, 1-10V o DALI. È possibile configurarla per supportare pulsanti a pressione ‘senza tensione’ o per funzionare con un sensore PIR standard (tramite interruttore-intelligente). |
CBU-TED-LR |
| Trailing Edge Dimmer – Long Range | CBU-TED-LR è un dimmer a taglio di fase per il funzionamento di lampade a incandescenza, lampade LED dimmerabili e dispositivi di controllo LED dimmerabili. Può anche essere configurato come un’unità sensore. |
CBU-PWM4-LR |
| Pulse Width Modulation 4-ch – Long Range | CBU-PWM4-LR è un dimmer PWM a quattro canali abilitato per carichi LED a tensione costante, come strisce LED e moduli LED a tensione costante. È collegato tra un alimentatore da 12-24 VDC e il carico LED a tensione costante. |
CBU-PWM4-4-LR |
| Pulse Width Modulation 4-ch 4A– Long Range | CBU-PWM4-4-LR è un dimmer PWM a quattro canali abilitato per carichi LED a tensione costante, come strisce LED e moduli LED a tensione costante. È collegato tra un alimentatore da 12-24 VDC e il carico LED a tensione costante. |
CBU-DCS-LR |
| DALI Controller Slave - Long Range | CBU-DCS-LR è un controller DALI “Casambi Ready”. Non dispone di una propria alimentazione ed è alimentato direttamente da un bus DALI. CBU-DCS-LR può essere utilizzato con un sensore DALI per la rilevazione della presenza o il controllo della luce diurna. CBU-DCS-LR può essere configurato come un Gateway DALI. |
CBU-A2D-LR |
| Analogue 2-ch. / 1x DALI - Long Range | CBU-A2D-LR può controllare uno o due driver LED controllabili da 0-10V, oppure può controllare un driver LED regolabile in temperatura colore con due interfacce di controllo da 0-10V. Il prodotto può anche essere configurato in modalità DALI, dove può essere collegato a un driver LED DALI o a un sensore DALI per le funzioni di rilevazione della presenza e/o raccolta della luce diurna. CBU-A2D ha un intervallo di tensione di ingresso universale da 100 a 277 VAC. |
Xpress-LR |
| “X” layout switch panel– Long Range | Xpress-LR è un’interfaccia utente wireless per il controllo di apparecchi abilitati Casambi. I quattro pulsanti di comando possono controllare singoli apparecchi illuminanti, gruppi, scene, animazioni ed elementi. Xpress-LR dispone di pulsanti per la regolazione dell’intensità luminosa e di pulsanti su/giù che possono controllare sia la temperatura del colore che l’aggiustamento del rapporto luce diretta/indiretta. |
CBU-TDP-LR |
| Trailing-edge Dimming Pack – Long Range | CBU-TDP-LR è un dimmer a taglio di fase per lampade a incandescenza, lampade LED dimmerabili e dispositivi di controllo LED dimmerabili. CBU-TDP-LR può controllare fino a 50 W a 120 VAC. Dispone di protezione da sovracorrente e sovratemperatura. |
CBU-ARP-LR |
| Analogue Relay Powerpack – Long Range | CBU-ARP-LR è progettato per controllare un singolo driver LED regolabile da 0-10V. Se il driver LED non può essere completamente spento dall’interfaccia di controllo 0-10V, CBU-ARP-LR dispone di un relè integrato da 2,0 A per interrompere l’alimentazione del driver. Dispone inoltre di un ingresso da 12-24 VDC per un sensore di movimento. |
Casambi Cloud Gateway |
| Casambi Cloud Gateway | Casambi Cloud Gateway si basa sull’hardware Raspberry Pi ed è dotato di connessioni Ethernet e Wi-Fi per l’accesso a Internet. Consente di ricevere dati dalla rete Casambi e di controllarli da remoto tramite Internet. L’interfaccia utente è l’app Casambi. Sono disponibili due varianti di prodotto: PSU (CGW-001-PSU) e PoE-enabled (CGW-001-POE). La versione Power Supply Unit (PSU) è dotata di un adattatore di alimentazione adatto per le regioni UE, Regno Unito, Stati Uniti, AU e PRC. La versione Power over Ethernet (PoE) è dotata di uno splitter per separare l’alimentazione dai dati e immetterli in un ingresso separato. |
Salvador Series 1000 DALI controllers |
| Salvador 1000 DALI controllers | Il controller DALI Salvador Series 1000 integra i driver DALI cablati nel sistema Casambi, con una singola unità in grado di controllare fino a 64 driver DALI. Le lampade DALI, una volta incorporate, appariranno nella rete Casambi come lampade virtuali. Il controller DALI Salvador Series 1000 richiede un alimentatore esterno per il bus DALI. |
Salvador Series 2000 DALI controllers |
| Salvador 2000 DALI controllers | Il controller DALI Salvador Series 2000 integra i driver DALI cablati nel sistema Casambi, con una singola unità in grado di controllare fino a 64 driver DALI. Le lampade DALI, una volta incorporate, appariranno nella rete Casambi come lampade virtuali. Il controller DALI Salvador Series 2000 è dotato di alimentatore integrato, orologio in tempo reale (RTC) interno con accumulo di energia di backup e protezione antistrappo del cavo per facilitare un processo di installazione senza intoppi. |
Salvador Series 3000 DALI controllers |
| Salvador 3000 DALI controllers | Il controller DALI Salvador Series 3000 integra i driver DALI cablati nel sistema Casambi, con una singola unità in grado di controllare fino a 16 driver DALI. Le lampade DALI, una volta incorporate, appariranno nella rete Casambi come lampade virtuali. Il controller DALI Salvador Series 3000 è dotato di alimentazione bus integrata da 32 mA per le operazioni DALI. |
| Salvador Series 4000 DALI controllers | ![]() | Salvador 4000 DALI controllers | Il controller DALI Salvador Serie 4000 integra i driver DALI cablati nel sistema Casambi; un singolo dispositivo è in grado di controllare fino a 64 driver DALI. |
CBU-PWM4-4-LR, CBU-TDP-LR, CBU-ARP-LR, il controller DALI Salvador Series 3000 e il controller DALI Salvador 4000 sono disponibili esclusivamente per i mercati degli Stati Uniti e del Canada.
Prodotti Ecosistema
Il sistema di controllo illuminazione Casambi offre ai Partner dell’Ecosistema la possibilità di utilizzare e progettare i propri prodotti per far parte della soluzione di rete Casambi. Tutti i dispositivi sono dotati dello stesso Firmware Casambi per garantire la compatibilità. Fornitori in tutto il mondo offrono soluzioni per arricchire il portfolio Casambi per utilizzi interni, esterni e architettonici in una vasta gamma di applicazioni. Il portfolio è in costante espansione. Attualmente, i prodotti dell’ecosistema coprono le seguenti aree:
- Apparecchi di illuminazione
- Alimentatori
- Interruttori
- Sensori
- Dispositivi di trasmissione “broadcast”
- Relè
- Controller per tende/tendaggi/tapparelle
- Controller per apparecchi su palo per esterni
- Purificatori d’aria
- Monitoraggio della qualità dell’aria
- Controller a schermo touch
- Gateway Cloud / Ethernet
- Soluzioni head-end basate su web per il monitoraggio e il controllo del sistema
Firmware
Il firmware attuale si chiama Evolution e l’ultima versione del firmware può essere visualizzata nell’app Casambi. È importante che tutte le unità nella rete abbiano la stessa versione del firmware.
Alcuni dispositivi abilitati Casambi hanno un firmware diverso dalla versione firmware Casambi predefinita mostrata nell’app Casambi. vale a dire che le loro versioni del firmware differiscono da quelle degli altri dispositivi Casambi. Tuttavia, quando sono associati a una rete, comunicano normalmente come parte della mesh. Tali dispositivi sono:
- Salvador Series
- CBU-DCS-LR con profilo DALI Gateway
- Casambi Cloud Gateway
Se sono richiesti aggiornamenti firmware per Salvador Series o CBU-DCS con profilo DALI Gateway, ognuno di questi dispositivi deve essere aggiornato singolarmente tramite l’app Casambi. Questo perché non possono trasferire alcun aggiornamento firmware Casambi tramite la mesh.
Il Cloud Gateway non fa parte della rete mesh ma è un dispositivo esterno; quindi, l'aggiornamento del firmware di altri nodi della rete non lo influenza. Il Cloud Gateway non può essere aggiornato nell'applicazione, ma viene aggiornato automaticamente quando è disponibile una nuova versione.
Prestazioni radio
Le unità Casambi utilizzano Bluetooth® Low Energy, un segnale radio ad alta frequenza (2,4 GHz), per comunicare con le unità di controllo (ad esempio, dispositivi mobili).
Nel momento della creazione di una rete, vengono inizialmente impostate automaticamente due frequenze di comunicazione, ma è possibile regolarle manualmente su frequenze diverse se c’è la necessità di evitare specifiche frequenze. Le reti Casambi operano su canali di frequenza distinti per ridurre al minimo le interferenze con il Bluetooth standard.
La portata effettiva di comunicazione in scenari reali è principalmente influenzata dai materiali circostanti e dagli ostacoli vicini alle unità Casambi, che possono attenuare o ostacolare i segnali radio. Ad esempio, un apparecchio luminoso con una scocca metallica avrà una portata di comunicazione più breve rispetto a un apparecchio identico con una struttura in plastica.
Una posizione o una selezione inadeguata dei materiali possono causare problemi. Per questo motivo, è necessaria una pianificazione attenta e test rigorosi per ottenere buone prestazioni.
Tipi di rete
Le reti Casambi non dipendono da una connessione Internet per la loro funzionalità quotidiana. Operano come reti autonome in cui i nodi comunicano tra loro utilizzando il protocollo di rete Casambi Mesh. Quando l’app Casambi viene utilizzata per la configurazione o come interfaccia per l’utente finale, questa comunicazione avviene tramite Bluetooth® Low Energy.
In questa modalità, le modifiche alle configurazioni di rete sono possibili solo utilizzando il dispositivo con cui è stata creata originariamente, e i dati di rete non vengono caricati sul servizio cloud. Per un futuro accesso alla rete o per utilizzare più dispositivi mobili per configurare e modificare le impostazioni di rete, è sempre consigliabile salvare un backup della rete nel Casambi Cloud. Questo può essere fatto utilizzando un dispositivo mobile connesso a Internet. Una volta che il backup è salvato, una connessione a Internet non sarà nuovamente necessaria per il funzionamento della rete.


Un Gateway Internet può essere utilizzato se è necessario avere un controllo remoto sulla rete o interfacciarsi con sistemi di gestione degli edifici (BMS) o servizi di terze parti tramite l’API Casambi Cloud. Uno smartphone o un tablet con l’app Casambi (iOS) possono anche essere utilizzati come gateway per il backup del sistema o per scopi di controllo remoto.
Il Gateway Internet deve essere alimentato e trovarsi nel raggio Bluetooth® della rete per la quale sta agendo da gateway.

Alternativamente, un Gateway Ethernet dell’Ecosistema Casambi può essere utilizzato per interfacciare altri sistemi o protocolli senza passare attraverso il Cloud, mantenendo tutti i dati all’interno dell’edificio:

Le reti Casambi possono interfacciarsi anche con sistemi e protocolli di terze parti tramite il Gateway Casambi DALI e un Application Controller DALI di terze parti.

Modalità di rete
Possono essere selezionate diverse modalità di rete durante la creazione di una rete. Le modalità di rete influenzano la velocità di comunicazione, la portata e la densità consigliata dei dispositivi nella rete.
Ci sono 3 opzioni di modalità di rete:
- Bilanciata
- Migliore performance
- Lunga portata
La modalità a lunga portata offre una portata di comunicazione superiore tra le unità per sistemi in cui si prevede una bassa quantità di traffico di rete.
Ulteriori informazioni sulle modalità di rete possono essere trovate nella sezione Support all’interno del sito web di Casambi.
Sicurezza
Accessibilità di rete
Con Casambi, è possibile controllare i diritti di accesso alla rete e definire chi interagisce con le luci. La rete mesh ha 4 livelli di sicurezza che possono essere scelti e modificati direttamente dall’app:
Aperta: Accesso libero e aperto per chiunque senza richiedere una password. Le modifiche come cambiamenti di programmazione richiedono una password di amministratore.
Non condivisa: I dettagli della rete sono memorizzati solo sul dispositivo utilizzato per creare la rete. Altri dispositivi non possono accedere alla rete. È sempre consigliabile condividere la rete con il cloud. Per un futuro accesso alla rete o per l’uso di più dispositivi mobili per controllare la rete, Casambi consiglia di condividere la rete. In modalità “Non condivisa”, se si resetta, elimina o reinstalla l’app Casambi, o si perde il dispositivo mobile, non sarà più possibile accedere alla rete.
Protetta da password: È possibile accedere e controllare una rete con una password per i visitatori (utenti), ma è richiesta una password di amministratore per apportare eventuali modifiche di programmazione.
Solo amministratore: Solo gli amministratori possono accedere con un’e-mail e password di amministratore, e la rete non è automaticamente individuabile da nessun dispositivo.
Quando la rete è in modalità “Non condivisa”, non c’è comunicazione con il cloud. Quando la rete è in modalità “Solo amministratore”, “Protetta da password” o “Aperta”, l’applicazione mobile Casambi invierà una copia (di backup) della configurazione di rete al cloud Casambi.
Come misura aggiuntiva per gestire la sicurezza e l’integrità dei dati, Casambi fornisce diversi livelli di accesso per gli utenti:
Admin: Ha il pieno controllo di tutti gli aspetti della rete.
Manager: Può configurare la rete (ad esempio, cambiare la programmazione), ma non può creare nuovi account utente.
Utente: Può utilizzare solo la rete ma non può apportare modifiche di programmazione.
Fino a 10 token di accesso possono essere impostati per i ruoli di Utente, Manager o Amministratore.
La lunghezza minima della password è di 12 caratteri. Viene visualizzata una barra di valutazione della robustezza della password per aiutare a verificarne la sicurezza. Le password robuste dovrebbero includere una combinazione di lettere maiuscole e minuscole, numeri e simboli.
A livello di rete, sono fornite anche altre possibilità accessibili:
- Blocco dispositivo per prevenire lo scollegamento (senza accesso da parte dell’amministratore).
- Disabilitazione dell’aggiornamento del firmware per impedire eventuali modifiche a livello di firmware.
- La configurazione di rete può essere archiviata sul cloud tramite un’applicazione per dispositivi mobili.
- I dispositivi di una rete possono essere nascosti agli altri utenti.
Canali di comunicazione e sicurezza
Ogni rete Casambi contiene 3 canali principali di comunicazione:
- Comunicazione da unità a unità nella rete mesh.
- Comunicazione tra dispositivi mobili e unità/rete mesh.
- Comunicazione tra il gateway e il cloud (solo se è richiesta una connessione al cloud).
Poiché Casambi dispone di diversi canali di comunicazione e offre una molteplicità di soluzioni, vengono utilizzati vari algoritmi di crittografia e tecniche per garantire la sicurezza dei dati:
- 128-bit AES: Cifratura simmetrica.
- AES-CMAC: Algoritmo di autenticazione dei messaggi per l’integrità dei dati.
- ECDH: Scambio di chiavi a curva ellittica.
- ECDSA: Algoritmo di firma digitale a curva ellittica.
- Cifratura completa tra il dispositivo mobile e le unità. Nuova chiave di crittografia per ogni connessione, derivata con ECDH.
- 10 password modificabili.
Gli aggiornamenti over-the-air wireless consentono a Casambi di distribuire nuove funzionalità di sicurezza e patch software a tutti i dispositivi installati contemporaneamente.
Sicurezza del cloud
I server Casambi, situati in Europa, sono protetti da firewall e monitorati 24/7. Sono mantenuti aggiornati con regolari aggiornamenti di sicurezza, accessibili solo da personale limitato e tutte le informazioni memorizzate sono crittografate.
Casambi ha ricevuto la certificazione di sicurezza cibernetica da parte dell’ioXt Alliance per il suo sistema, confermando il suo impegno continuo per la sicurezza della rete per i clienti e operatori.
Funzionalità di Controllo dell’Illuminazione
La soluzione Casambi offre tutte le opzioni di controllo previste da una soluzione di controllo illuminazione professionale completa.

Gruppi: Il raggruppamento è un metodo per organizzare gli apparecchi luminosi. Questo può rendere più facile trovare gli apparecchi luminosi corretti successivamente (specialmente in una grande rete). Un apparecchio luminoso può appartenere solo a un gruppo. Tutti gli apparecchi raggruppati possono essere controllati e programmati in modo sincrono e/o individualmente.
Scene: Una scena può rappresentare un livello specifico di intensità luminosa, una combinazione di livello di intensità luminosa e colore, una combinazione di livello di intensità luminosa e temperatura del colore, o un aggiustamento predefinito del rapporto illuminazione diretta/indiretta, a seconda del tipo di apparecchio in controllo. Gli utenti possono creare un massimo di 255 scene.
Animazioni: Le animazioni sono scene dinamiche in cui è possibile che l’illuminazione sfumi da una scena all’altra. Tempo, durata e cicli possono essere impostati nell’app.
Galleria: Questa funzione consente agli utenti di personalizzare l’interfaccia utente caricando foto di uno spazio o di un piano e quindi contrassegnando le posizioni degli apparecchi all’interno delle immagini. Questo ausilio visivo facilita l’identificazione semplice degli apparecchi luminosi e l’interazione intuitiva con essi.
Colore della luce: È possibile sfogliare lo spettro di colori e salvare i preferiti in una tavolozza dei colori.
Temperatura del colore: L’app Casambi fornisce uno slider agli utenti per individuare una specifica temperatura del colore all’interno dell’intervallo disponibile.
Sensore di luce naturale: È possibile misurare i livelli di illuminazione e riportare i valori di lux alla rete. In questo modo, è possibile programmare scene di illuminazione automatizzate per ottenere la massima qualità di illuminazione e ridurre il consumo energetico.
Sensore di movimento: Rilevando il movimento, i sensori possono attivare scene. È possibile configurare una scena di presenza, una scena di assenza, tempi di permanenza e sfumature.
Calendario e Timer: Scene e animazioni possono essere attivate e disattivate in base a un determinato orario e data. Le opzioni includono la scelta di un certo giorno della settimana o più giorni della settimana o una data specifica.
Alba e Tramonto: Impostando il fuso orario e la posizione di una rete di illuminazione nell’app, le unità Casambi possono calcolare gli orari locali di alba/tramonto e regolare i livelli di luminanza o richiamare scene di illuminazione programmate di conseguenza.
Controllo Circadiano: Un profilo circadiano deve definire curve di controllo basate sul tempo nell’arco di un ciclo di 24 ore, con l’asse orizzontale che rappresenta l’ora del giorno e l’asse verticale che rappresenta i parametri di controllo.
I profili circadiani devono consentire il controllo della temperatura di colore, del livello di dimmerazione, oppure di entrambi simultaneamente per apparecchi di illuminazione a luce bianca regolabile (tuneable white).
Gerarchia di controllo: Coinvolge la coordinazione tra i controlli manuali dell’illuminazione (come app, interruttori e pulsanti) e i controlli automatizzati (come sensori di presenza e timer) per stabilire gli annullamenti e determinare le priorità di controllo dell’illuminazione.
Gateway: È possibile attivare la funzionalità di gateway per consentire l’accesso remoto per supporto, semplificando le attività di manutenzione e risoluzione dei problemi. Un gateway si collega alla rete di illuminazione Casambi attraverso Internet.
Cronologia della rete: I backup e le “istantanee” conservano duplicati del programma di rete. Le “istantanee” vengono generate e salvate automaticamente, mentre i backup richiedono una creazione manuale e un’archiviazione.
Integrazione con DALI
Gateway DALI
Un CBU-DCS-LR o un dispositivo equivalente dell’Ecosistema Casambi possono essere utilizzati come gateway tra una rete DALI cablata (controllata da hardware e software controller DALI) e una rete Casambi wireless. Per garantire una connettività adeguata, è necessario applicare il profilo CBU-DCS-LR DALI Gateway prima di collegarlo allo stesso bus DALI alimentato del controller DALI.
Qualsiasi dispositivo presente nella rete Casambi apparirà quindi come un dispositivo standard DALI al software del controller DALI cablato. Ogni dispositivo Casambi occupa un indirizzo DALI, ma il gateway DALI CBU-DCS-LR contrariamente non lo fa; appare trasparente al software del controller DALI.
I dispositivi Casambi che controllano più di un canale appaiono come dispositivi DALI a un solo canale per il software del controller DALI, pertanto i singoli canali non possono essere oscurati individualmente dal software del controller DALI, ma solo dall’app Casambi.
I dispositivi Casambi che utilizzano controlli TW, RGB o XY vengono presentati al software del controller DALI come dispositivi DALI o DALI DT8 (Tc/RGB/XY).
Tutti i dispositivi Casambi possono essere indirizzati dal software del controller DALI, indipendentemente dalla tipologia del dispositivo Casambi usato. In altre parole, il dispositivo Casambi non deve essere necessariamente un dispositivo controllabile tramite DALI.
Un gateway DALI CBU-DCS-LR consente di indirizzare 64 dispositivi di input secondo lo standard DALI, ma solo 80 “istanze” DALI-2 possono essere elaborate dal gateway DALI. Ciò significa che la quantità di dispositivi di input possibile nella rete Casambi può essere limitata a seconda del numero di istanze utilizzate dai dispositivi. Se si desidera controllare più di 64 dispositivi o 80 istanze DALI-2, è consigliabile creare reti Casambi multiple, ciascuna con un gateway CBU-DCS-LR DALI.

Salvador
Simile al CBU-DCS-LR, Salvador consente l’estensione delle reti DALI esistenti e la creazione di reti ibride che consistono sia di dispositivi Casambi ready che di dispositivi DALI. La principale differenza è che con Salvador, tutti i corpi illuminanti DALI sono programmati e controllati come normali dispositivi Casambi ready tramite l’app Casambi. Questo offre la possibilità di incorporare l’interfaccia utente intuitiva di Casambi nelle installazioni DALI cablate. Tutti i corpi illuminanti DALI collegati a Salvador appaiono allo stesso modo dei dispositivi Casambi sull’app Casambi e possono essere programmati e controllati individualmente.
Salvador consente la programmazione e il controllo di fino a 64 corpi illuminanti DALI individualmente dall’app Casambi. Più dispositivi Salvador che controllano corpi illuminanti DALI possono anche essere collegati senza fili per formare una singola rete mesh Casambi. Una rete Casambi può supportare fino a 250 nodi, indipendentemente dal fatto che siano DALI o Casambi ready. Ad esempio, tre dispositivi Salvador che controllano ciascuno 64 corpi illuminanti DALI possono essere collegati insieme, formando una singola rete mesh Casambi. (64 nodi + 1 Salvador = 65 nodi ciascuno x 3 = 195 nodi).

Esistono quattro versioni di Salvador:
• Salvador Series 1000: il controller DALI richiede un alimentatore esterno per il bus DALI.
• Salvador Series 2000: il controller DALI è dotato di alimentatore integrato e di un orologio interno in tempo reale (RTC).
• Salvador Series 3000: il controller DALI dispone di un alimentatore integrato da 32 mA per il bus DALI.
• Salvador Series 4000: il controller DALI è dotato di alimentatore integrato e di un orologio interno in tempo reale (RTC).
I controller DALI Salvador Series 3000 e 4000 sono disponibili esclusivamente per i mercati di Stati Uniti e Canada.
Salvador offre un modo semplice ed economico per collegare un sistema DALI al Cloud e integrarlo con altri sistemi utilizzando il Casambi Cloud Gateway e l’API Casambi.

Dati con Casambi
Cloud gateway
Utilizzando un gateway, è possibile accedere e controllare le reti Casambi a distanza o interfacciarsi con i Sistemi di Gestione degli Edifici (BMS) e altri servizi di terze parti (tramite un’API Cloud). Consente anche il monitoraggio della rete.
Ci sono diverse opzioni di gateway da Casambi e dall’Ecosistema Casambi:
- Casambi Cloud Gateway: Il Casambi Cloud Gateway è un dispositivo che consente agli utenti di controllare e ricevere dati dalla propria rete a distanza tramite Internet. Il dispositivo dispone di connessioni Ethernet e WiFi per l’accesso a Internet. Deve essere alimentato e trovarsi all’interno della rete Bluetooth per cui funge da gateway.
- Smartphone o tablet: Un dispositivo permanentemente alimentato può anche essere configurato per essere utilizzato come gateway cloud dall’app Casambi. Deve trovarsi all’interno della portata Bluetooth della rete per cui funge da gateway e deve avere una connessione Internet. L’app Casambi deve essere attivata continuamente.
Nell’Ecosistema Casambi sono disponibili diverse opzioni di gateway, tra cui gateway che possono essere collegati a computer locali tramite connessione Ethernet o USB. Tali soluzioni sono particolarmente adatte per situazioni in cui non si desidera condividere i dati con il Cloud. Tutte le comunicazioni dati sono mantenute localmente all’interno dell’edificio.
Casambi API - Interfaccia con sistemi e soluzioni di terze parti
Un’API (Interfaccia di Programmazione delle Applicazioni) è un insieme di routine, protocolli e strumenti per consentire la creazione di applicazioni software personalizzate. L’API di Casambi consente agli sviluppatori di connettersi a un sistema Casambi. Specifica i “mattoni” di costruzione e definisce quali interazioni sono permesse. Un programmatore può utilizzare i “mattoni” di costruzione dell’API per sviluppare applicazioni software personalizzate, come diverse interfacce utente.
L’API di Casambi fornisce 2 set di strumenti software per gli sviluppatori:
- REST API: per richiedere informazioni di rete “statiche”.
- Servizio WebSocket: per il monitoraggio e il controllo in tempo reale.
Estrazione dati D4i
D4i è un’estensione del programma di certificazione DALI-2. Gli alimentatori LED D4i hanno un insieme obbligatorio di funzionalità legate ai requisiti di alimentazione e alle capacità di smart data. Tali alimentatori all’interno del dispositivo di illuminazione hanno la capacità di archiviare e segnalare una vasta gamma di dati relativi all’illuminazione, all’energia e alle diagnosi in un formato standardizzato; che può poi essere utilizzato per il monitoraggio delle prestazioni, la gestione delle risorse, la manutenzione predittiva e molte altre attività.
In una rete Casambi, i dati D4i possono essere estratti e comunicati a scopo di monitoraggio e gestione.
L’illuminazione di emergenza wireless
Esistono diverse soluzioni di illuminazione di emergenza wireless basate sulla tecnologia Casambi. Questi sistemi supportano i dispositivi standard DALI DT1, garantendo un’interoperabilità affidabile con le apparecchiature di controllo di emergenza autonome DALI e consentono la comunicazione wireless senza la necessità di hardware aggiuntivo o cablaggio DALI tradizionale. I dispositivi di emergenza sono facilmente associabili utilizzando l’app Casambi, permettendo un facile aggiornamento wireless per i corpi illuminanti esistenti senza modificare il layout. Gli utenti possono facilmente visualizzare la potenza del segnale dei corpi illuminanti e identificare i dispositivi di emergenza dall’interno dell’app Casambi.
Queste soluzioni offrono test automatici dei singoli corpi illuminanti, registri conformi agli standard che possono essere scaricati o accessibili dal cloud, e monitoraggio centrale tramite interfacce grafiche su iPad o PC.
Per ulteriori informazioni sui sistemi di emergenza wireless basati sulla tecnologia Casambi, si prega di consultare la sezione Ecosystem all’interno del sito web di Casambi.
Diagramma unifilare per una tipica applicazione da ufficio

Casambi System Diagram

















